商品信息
基本参数
- 产地江苏
- 品牌
- 产品型号
- 产品操作
- 产品应用范围
- 产品材料等级
- 产品表面处理
- 品牌xz
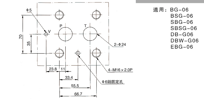
- 型号BSG-06
- 功能类型压力控制阀
- 操作方法机械操作
- 连接方式板式连接
- 结构类型其他
- 控制方式伺服阀
- 材质铸铁
- 适合介质油品
- 加工定制是
- 公称压力25MPa
- 公称通径20mm
- 额定流量qn200L/min
- 重量8.0kg
- 产地苏州
产品简介:
产品详情:苏州旭展机械有限公司是液压元件的专业制造商,在液压元件的生产方面持有20多年的经验。其产品包括:压力控制阀,方向控制阀,比例阀,叠加阀,油泵,电磁阀,插装阀,非标准液压系统和液压回路设计。主要客户是立式注塑机硫化机弯管机吹瓶机压铸机裁断机液压机,机床,五金机器,木匠机器,制鞋机器。公司始终以杰出的品质,合理的价钱,充裕的库存,健全的服务来满足客户的要求。







